连接器
传感器系列
智能控制板
快插端子
护套系列
刺破式端子
开关系列
PET膜片/面板
石墨烯加热膜
其他产品
消费性电子类
通讯类
电脑类
汽车,医疗
工业、智能家居
公司新闻
活动资讯
技术文章
产品目录
产品说明书
软件下载
应用手册
软件协议
menu close
公司简介
发展历程
资质荣誉
视频展示
生产设备
合作伙伴
关联企业
质量保证
量产能力
联系我们
连接器研发工程师
软件工程师
软件开发工程师
硬件工程师
cnc模具编程
注塑模具工程师
工作机会
需求咨询
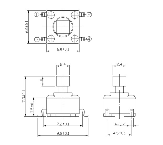
您当前位置:首页> 产品中心> 开关系列> 轻触开关
产品主要尺寸参考图
该产品原制造商相关文档/技术参数资料
上一篇:BST-TVEM17
下一篇:BST-TVCP02